产品名称:2,4-二甲基戊烷
CAS:108-08-7
分子式:C7H16
分子量: 100.2
InChI:InChI=1S/C7H16/c1-6(2)5-7(3)4/h6-7H,5H2,1-4H3
InChIKey: BZHMBWZPUJHVEE-UHFFFAOYSA-N
Smiles:CC(C)CC(C)C
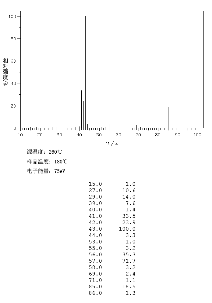
MS
1HNMR
13CNMR
IR1
IR2
Raman
更多供应商
广东翁江化学试剂有限公司
山东小野化学股份有限公司
广州市金华大化学试剂有限公司
九鼎化学(上海)科技有限公司
爱斯特(成都)生物制药股份有限公司
天津希恩思生化科技有限公司
斯百全化学(上海)有限公司
阿法埃莎(中国)化学有限公司
安耐吉化学&3A(安徽泽升科技有限公司)
上海隆盛化工有限公司
2,4-二甲基戊烷(108-08-7)质谱(MS)相关产品图谱