产品名称:对溴苯乙酮
CAS:99-90-1
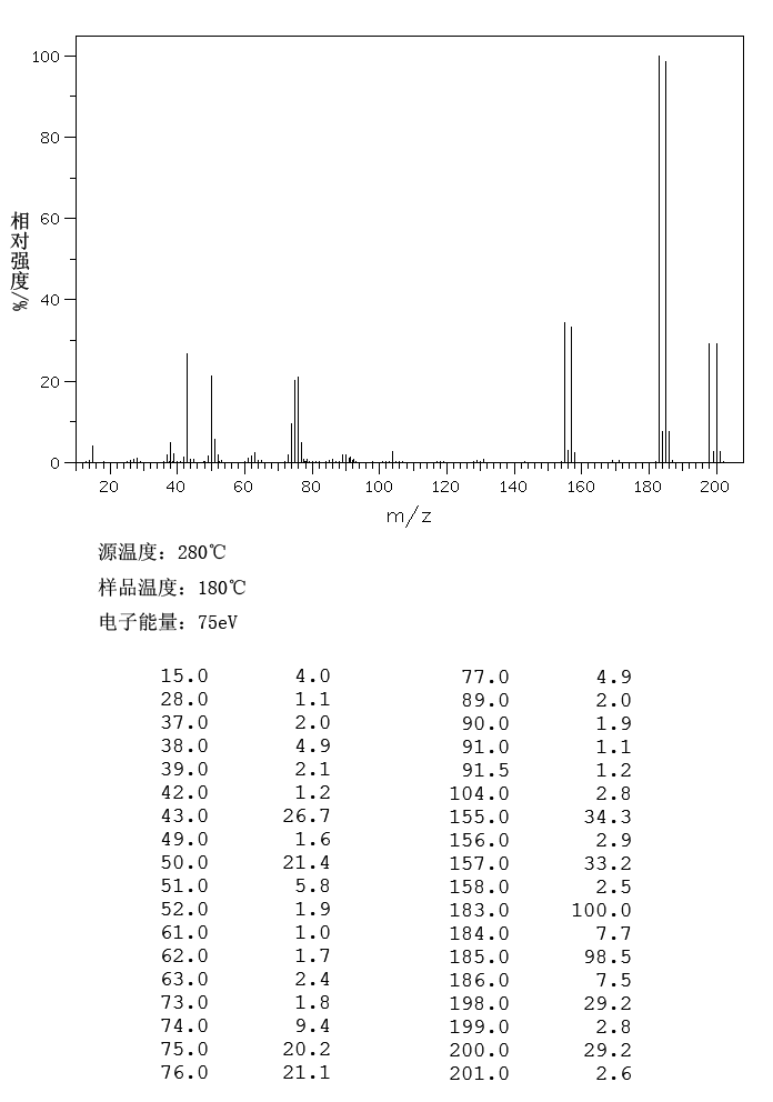
分子式:C8H7BrO
分子量: 199.04
InChI:InChI=1S/C8H7BrO/c1-6(10)7-2-4-8(9)5-3-7/h2-5H,1H3
InChIKey: WYECURVXVYPVAT-UHFFFAOYSA-N
Smiles:C(=O)(C1=CC=C(Br)C=C1)C
MS
1HNMR
13CNMR
IR1
IR2
Raman
更多供应商
山东钒泰精化生物科技有限公司 TOP
济南德信佳生物科技有限公司 黄金产品
南通海晴医药科技有限公司 黄金产品
山东诺来新材料有限公司 黄金产品
潍坊市伟蒙化工有限公司 黄金产品
潍坊市鸣冉化工有限公司 黄金产品
南通博纳化工科技有限公司 黄金产品
上海景颜化工科技有限公司
上海相辉医药科技有限公司
宁波戊己化工有限公司
对溴苯乙酮(99-90-1)质谱(MS)相关产品图谱