跪求大神解答。绘制图示结构的受力分析图,并求A处和B处支座的反力

向左转|向右转
网友 1

最佳答案

回答者:网友

整体受力分析:

向左转|向右转

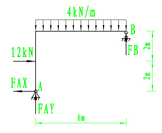
A点合力矩为0:FB*6-12*2-4*6*(6/2)=0,得 FB=16kN

X方向合力为0:12-FAX=0,得 FAX=12kN

Y方向合力为0:FAY+FB-4*6=0,得 FAY=8kN


我来回答