胎牛血清现货供应
2022年10月31日 15:27 化工产品
胎牛血清
OzFan 生物拥有全套血清生产加工专利,血清采集自孕 38 周 剖腹产胎牛。将血清添加到基础培养基中,可为细胞提供激素、生 长因子和矿物质等营养素,促进真核细胞的生长和维持。适用于研 究和工业中的许多应用,如细胞培养、疫苗和病毒载体生产。 自 2017 年至今,OzFan 生物每年都会为国内外知名厂商提供大 量成品血清,助力多方向不同课题组进行相关生命科学研究。
OzFan 血清来源地: 澳洲/南美
OzFan 血清加工工艺:过滤:0.45µm 过滤器一轮;0.1 µm 过滤器三轮。部分血清过滤后 γ 射线辐照进一步处理;特殊血清如活性炭处理另行介绍。
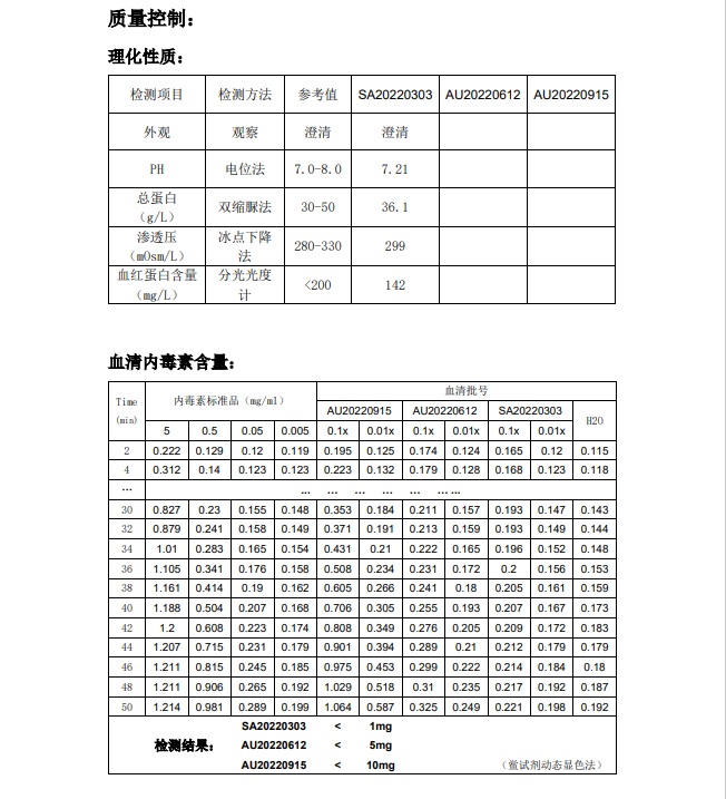
OzFan 质量控制:(见后)
遵循事项: ღ.务必将您的血清瓶冷冻储存于大约 ≤ -10°C 下,直至临用前才取出。 ღ. 务必遵循解冻方案。 ღ.使用后务必将血清重新冷冻。 ღ.务必将样本等分,以尽量减少血清产品的冻融循环次数。 ღ.务必始终在无菌条件下(例如在生物安全柜 (BSC) 中)处理血清。
禁止事项: ღ..请勿在非无菌条件下(例如在试验台上)处理细胞培养血清。 ღ..请勿将血清瓶接近瓶盖的部位浸入水浴中。否则,您的血清可能存在被水中的微生物污染的风险。 ღ..请勿在 37°C 以上解冻,因为这可能会使某些血清组分失活。 ღ..请勿储存在无霜冷冻柜中,因为温度循环可能导致瓶身破裂和产生沉淀。

联系电话:19852887912同微信 QQ:2245068322 孙经理