1、项目背景介绍
脱硫废液提盐是煤气脱硫工段的一个重要组成部分,它是保证脱硫工艺稳定、降低净化材料消耗的一个重要技术手段,也是解决脱硫工段含盐废液外排的一个主要措施。
2、装置特点
我公司针对盐提取工艺还自主研发了高效蒸发设备,制定合理的工艺流程,在运行过程达到了良好的效果,整套盐提取装置的优点是:
⑴效率高:利用高效蒸发设备,此设备采用强制对流、循环加热方式,蒸发效率高(是传统釜式蒸发器的1.5-2倍)。
⑵操作简单:既可以连续操作,又可以间歇操作,重要指标可远程监控和调节,且操作弹性大,完全满足脱硫工艺需要。
⑶运行费用低:整套装置运转设备只有1台真空泵(7.5KW)和1台循环泵(30KW)。
⑷布局合理,节约空间:操作、维修方便、且减少土建费用,自动化程度高。
⑸蒸发液中副盐含量低:此蒸发器配置外置气液分离设备,可有效降低带液事故的发生,降低蒸发液中副盐的含量。
⑹抗冲刷、抗腐蚀能力强:此设备选用316L材质,可有效防止高浓度副盐对设备的冲刷和腐蚀。
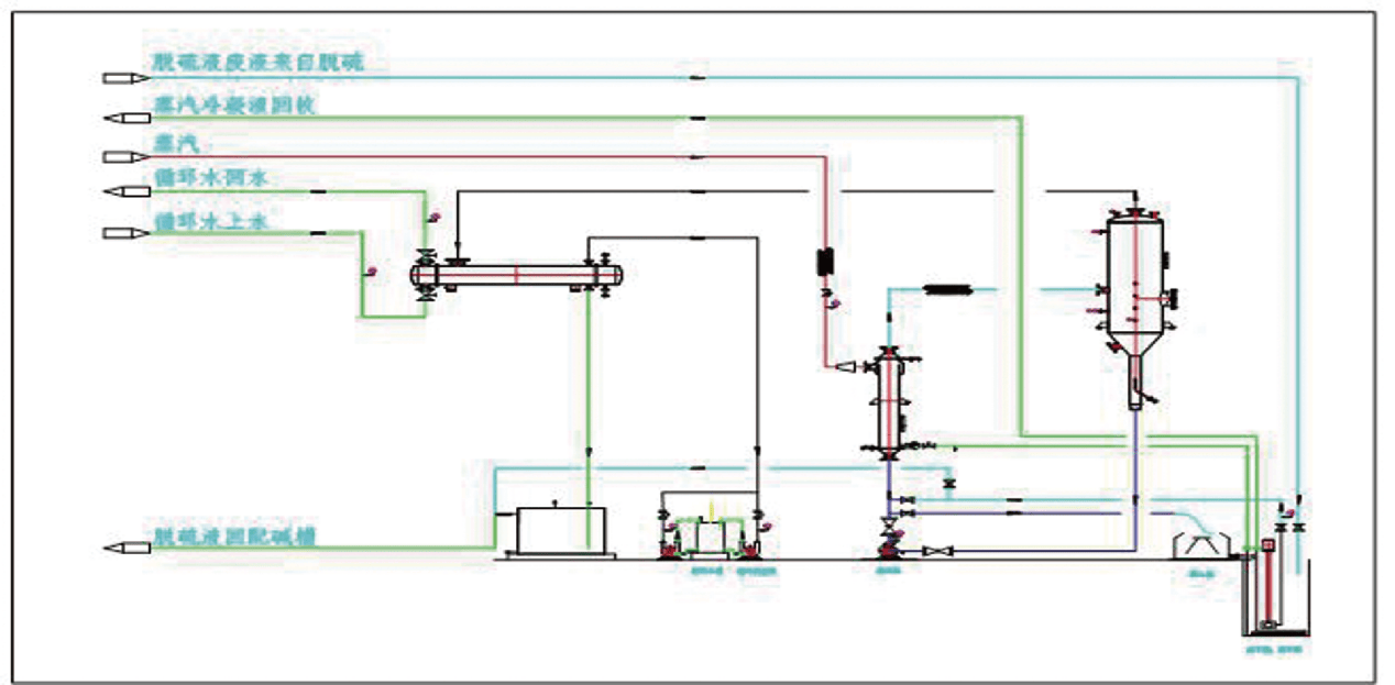
3、工艺流程简图(混盐流程)

4、相关数据对比
(四川某焦化厂数据,提盐开车)
1、脱硫液成分对比

2、固体混盐中各成份所占比例
Na2S2O3 :47%
Na2SO4 :22.6%
NaCNS : 12.4%
Na2CO3 :2.2%
NaHCO3 :1.9%
硫磺及其他杂质 :13.9%
5、现场图片
