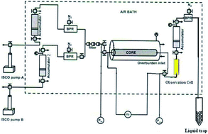
CO2 foam is regarded as a promising technology and widely used in the oil and gas industry, not only to improve oil production, but also to mitigate carbon emissions through their capture. This paper describes a series of nanoparticle-stabilized CO2 foam generation and foam flow experiments under reservoir conditions. Stable CO2 foam was generated when CO2 and a nanosilica dispersion flowed through the core sample under 1500 psi and 25 °C. The foam changed from a fine-texture foam to a coarse foam as the foam quality increased from 20% to 95%. Foam mobility increased slightly with the increasing foam quality from 20% to 80% and then rapidly from 80% to 95%. A stable CO2 foam was generated as the nanosilica concentration increased to 2500 ppm. Foam mobility and resistance factor increased with the increasing nanosilica concentration. As the injection flow rate increased to 60 ml h−1, stable and fine-texture CO2 foam was obtained. Foam mobility was observed to remain almost constant as the injection flow rate increased from 60 ml h−1 to 150 ml h−1.
