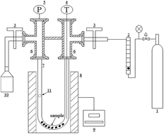
The oxidative pyrolysis of black liquor solids (BLS), alkali lignin (AL), and enzymatic hydrolysis/mild acidolysis lignin (EMAL) from the same Cunninghamia lanceolata was studied by pyrolysis coupled with gas chromatography-mass spectrometry (Py-GC-MS) at 600 °C in air atmosphere. A closed tubular reactor was used to study the oxidative pyrolysis of the three samples. The effect of reaction time on the product was investigated. It was found that oxygen dramatically promoted the decomposition of lignin. Guaiacol and 4-methyl-guaiacol were the top two products in BLS and AL, whereas coniferyl aldehyde and 4-vinyl-guaiacol were the top two yields in EMAL. The yield of noncondensable gas increased with the reaction time, whereas the yield of phenolic compounds decreased quickly after 60 s in AL and EMAL.
