物竞编号 0T9R
分子式 C6H5NOS
分子量 139.18
标签 暂无

编号系统

CAS号:51087-03-7

MDL号:暂无

EINECS号:暂无

RTECS号:暂无

BRN号:暂无

PubChem号:暂无

物性数据

1.       性状:未确定

2.       密度(g/mL,20ºC):未确定

3.       相对蒸汽密度(g/mL,空气=1): 未确定

4.       熔点(ºC):147

5.       沸点(ºC):未确定

6.       沸点(ºC15mm hg):未确定

7.       折射率:未确定

8.       闪点(°F):未确定

9.       比旋光度(ºC):未确定

10.    自燃点或引燃温度(ºC): 未确定

11.    蒸气压(kPa,20ºC):未确定

12.    饱和蒸气压(kPa,60ºC):未确定

13.    燃烧热(KJ/mol):未确定

14.    临界温度(ºC):未确定

15.    临界压力(KPa):未确定

16.    油水(辛醇/水)分配系数的对数值:未确定

17.    爆炸上限(%,V/V):未确定

18.    爆炸下限(%,V/V):未确定

19.    溶解性:未确定

毒理学数据

暂无

生态学数据

对水是稍微有危害的不要让未稀释或大量的产品接触地下水、水道或者污水系统,若无政府许可,勿将材料排入周围环境

分子结构数据

暂无

计算化学数据

1.疏水参数计算参考值(XlogP):无

2.氢键供体数量:1

3.氢键受体数量:3

4.可旋转化学键数量:1

5.互变异构体数量:2

6.拓扑分子极性表面积31

7.重原子数量:9

8.表面电荷:0

9.复杂度:116

10.同位素原子数量:0

11.确定原子立构中心数量:0

12.不确定原子立构中心数量:0

13.确定化学键立构中心数量:0

14.不确定化学键立构中心数量:0

15.共价键单元数量:1

性质与稳定性

如果遵照规格使用和储存则不会分解,未有已知危险反应

                                                

贮存方法

保持贮藏器密封、储存在阴凉、干燥的地方,确保工作间有良好的通风或排气装置

 

合成方法

暂无

用途

暂无

安全信息

危险运输编码:暂无

危险品标志:暂无

安全标识:暂无

危险标识:暂无

文献

暂无

备注

暂无

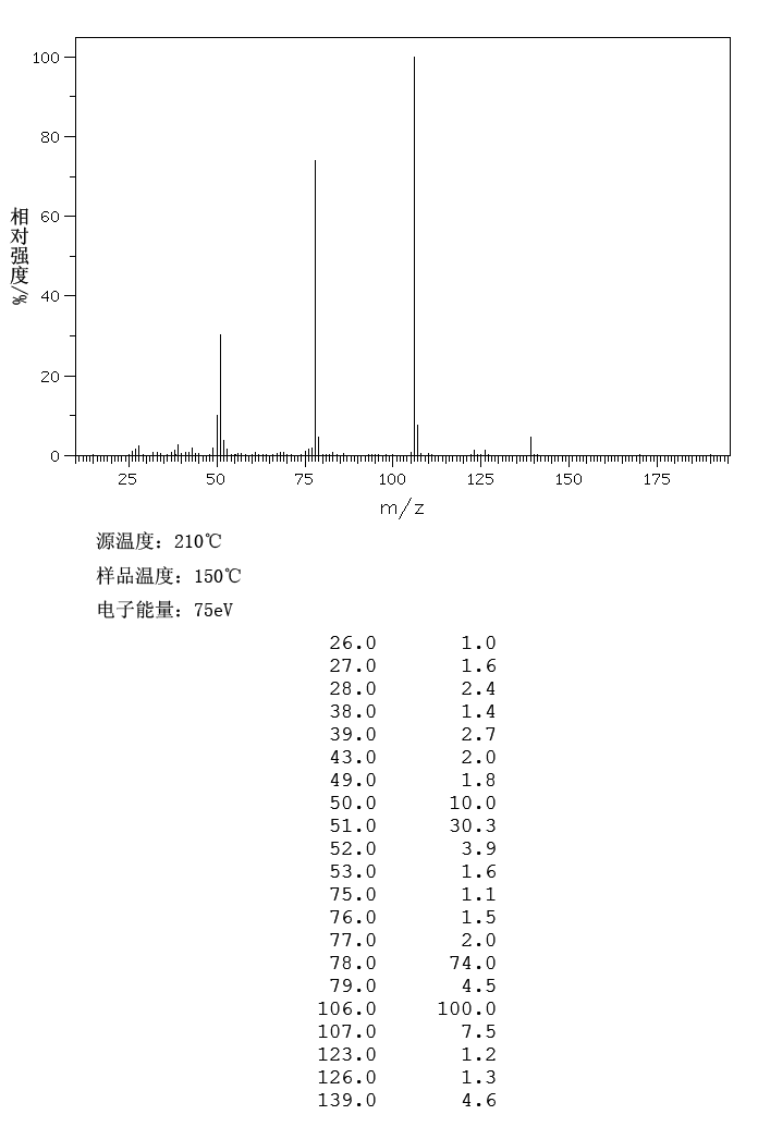
表征图谱